你好,欢迎来到Morcato德国玛托 - 工业服务专家!
周一至周五 9:00 -- 17:30 会员中心| 积分商城 |
收藏玛托
热门搜索:
内窥镜
扭力扳手
黄油嘴
黄油枪
台钻
首 页
品牌专区
招聘英才
服务&帮助
专 题
解决方案
联系我们
购物车(0)
所有产品分类
电工仪表
电工工具
|
电缆剪钳
|
压线钳
|
束带枪
|
剥线钳
|
液压压线钳
|
电工刀
|
断线钳
|
电烙铁
|
调温焊台
|
焊锡丝
|
VDE
电工测量
|
万用表
|
电流表
|
束带枪
|
电压表
|
通断表
|
相位仪
|
查线器
仪器仪表
|
电动刻号机
|
金属检测仪
|
测温仪
|
转速仪
|
测厚仪
|
内窥镜
|
噪音仪
|
风速仪
|
照度仪
|
秒表
电工电料
|
电工胶布
|
束带(束带枪)
|
热缩管
|
绕线管
|
端子
|
标签
|
端子取出器
|
压线端子
|
充电钳夹
|
喉箍
|
封条
|
线夹
连接/照明
|
插座
|
接线板
|
电盘/气站
|
绕线器
|
机床照明附件
|
手灯
|
照明灯
|
手电
|
防爆照明
电力电缆智能检测
|
车载式电缆测试系统
|
便携式电缆故障测试系统
|
脉冲反射仪,ARM滤波器
|
智能精确定点仪,Sniffer嗅嗅定电议
|
高压冲击发生器
|
烧穿降阻仪
|
交流耐压试验系统
|
直流耐压试验系统
|
电缆VLF 0.7Hz交流耐压试验
|
局部放电系统
|
整体绝缘诊断
|
电能质量
|
电缆识别 核相
|
外护套试验与状态评价
|
悬浮地系统接地故障
通信电缆检测
|
脉冲反射仪
漏水检测
|
Monitoring
供水管网检测
|
压力流量测量
|
噪声水平和噪声频率记录仪
|
相关仪
|
地面麦克风 & 示踪气体检测设备
|
漏水测试车
地下管线定位
|
管线定位
|
外护套故障定位
|
阀门杆/磁标定位
手动工具
扳手
|
开口扳手
|
呆梅扳手
|
活扳手
|
梅花扳手
|
套筒扳手
|
内六方扳手
|
内六星扳手
|
内十二星扳手
|
双头螺栓扳手
|
盆地扳手
|
车轮扳手
|
火花塞套筒扳手
|
油箱四方扳手
|
油滤扳手
|
链条扳手
|
油路塞扳手
|
门铰链扳手
|
调节门扳手
|
爪型扳手
|
排气系统扳手
|
皮带扳手
|
涨紧轮扳手
|
涡轮增压专用扳手
|
喷油泵扳手
|
油卡环螺母扳手
|
特殊扳手
|
刹车扳手
|
皮带工具
|
电喷管扳手
|
特长型管状扳手
棘轮扳手
|
棘轮梅花扳手
|
棘轮扳手
手用套筒/套头
|
1/4"套筒/套头
|
3/8"套筒/套头
|
1/2"套筒/套头
|
3/4"套筒/套头
|
1"套筒/套头
|
油路套筒
|
双头螺栓套筒
|
减震口套头
|
喷嘴套筒
|
前燃烧室套筒
改锥
|
一字改锥
|
十字改锥
|
米字改锥
|
内六星改锥
|
六方套筒改锥
|
半自动螺旋改锥
|
改锥头
|
电工绝缘改锥
|
冲击改锥
钳子
|
虎钳
|
偏口钳
|
尖嘴钳
|
水泵钳
|
扳手钳
|
大力钳
|
圆嘴钳
|
扁嘴钳
|
卡簧钳
|
防静电钳子
|
断线钳
|
电工绝缘钳子
|
喉箍钳
|
钣金大力钳
|
台虎钳
|
管钳
|
剥线钳
|
压线钳
|
钳子组套
|
剪子
|
镊子
|
活塞环钳子
|
刹车电线钳
|
刹车弹簧钳
|
柔性线路钳
|
车门卡扣拆卸钳
|
链条管切钳
|
平衡块钳
|
打孔钳
|
火花塞钳
|
阀门工具
|
回路安装钳
防爆工具
|
防爆扳手
|
防爆套筒
|
防爆改锥
|
防爆钳子
|
防爆锤子
|
防爆錾子
|
防爆冲子
|
防爆划针
|
防爆刮铲
|
防爆刷子
气动套筒
|
1/4"套筒
|
3/8"套筒
|
1/2"套筒
|
3/4"套筒
|
1"套筒
|
1.1/2"套筒
|
2.1/2"套筒
|
火花塞套筒
|
三元催化器套筒
|
汽车发电机维修用套头
|
喷嘴套筒
拉马
|
两爪拉马
|
拉马组套
|
分体式液压拉马
|
液压拉拔器组套
|
手动液压泵
|
三爪拉马
|
深凹轴承拉马
|
内拉马
|
内拉马拉拔架
|
撞锤
|
深沟滚珠轴承拔轮器组套
|
轴承分离器组套
|
分离器
|
液压缸
|
凸轮拉马
|
V型皮带轮拉马
|
滑轮夹具
|
齿轮锁紧装置
|
皮带张力测试仪
|
飞轮锁具
|
铰链拉出器
|
轮轴调整工具
锤/撬棍
|
钳工锤
|
大锤
|
手锤
|
铜锤
|
独角起钉锤
|
锤帽
|
凿墙锤
|
锤柄
|
尼龙锤
|
塑料锤
|
聚氨酯锤
|
无反弹锤
|
橡胶锤
|
钣金锤
|
垫铁
|
车门面板撬
|
轮胎撬棍
|
撬杠
|
安装撬棍
|
角度装配撬棍
|
起钉撬棍
|
吸盘
|
弹簧压缩器
|
调节工具
|
活塞环压缩器
|
接线端子取出器
|
凹轮轴调整设备
|
千斤顶
|
听诊器
|
修车躺板
|
木锤
|
錾子
|
冲子
|
斧
|
刮刀
|
刮胶铲
|
刷子
|
风挡雨刮拆除工具
|
车用测试仪
|
电瓶用工具
|
防冻液工具
|
磁探手
|
抓取器
|
折射计
吊带/葫芦
|
圆吊带
|
双环平吊带
|
圆柱齿轮手拉葫芦
|
多用途手板葫芦
卡兰
|
铸铁卡兰
|
全钢卡兰
|
深度卡兰
|
重型夹具
|
木质卡兰
|
精密卡兰
|
C型卡兰
|
顶角卡兰
|
快速卡兰
|
销钳
螺母辟开器/断螺栓取出器
|
螺母劈开器
|
液压式螺母劈开器
|
断螺栓取出器
|
双刃断螺栓取出器
铆钉枪/压胶枪
|
手动铆钉枪
|
长臂杠杆铆钉枪
|
可伸缩铆钉枪
|
电动铆钉枪
|
气动液压铆钉枪
|
压胶枪
管加工
|
管口倒角器
|
管切刀
|
弯管机
|
撑胀器
冲孔器
|
冲孔器
|
螺旋冲孔
|
可换头冲孔器
|
打孔钳
|
切刀
勾扳手
|
圆螺母勾扳手
|
圆螺母活勾扳手
|
可调勾扳手
|
可调竖孔勾扳手
|
可换头圆螺母端孔活勾扳手
|
圆螺母端孔弯头活勾扳手
扭力产品
|
扭力扳手
|
插头式扭力扳手
|
数显扭力扳手
|
扭矩转接头
|
扭力扳手插头
|
扭矩改锥
|
扭矩测试台
|
扭矩测试仪
|
扭矩放大器
|
扭矩角度规
黄油加注
|
提油泵
|
压力油壶
|
喷壶
|
黄油
|
量杯
|
油料漏斗
|
储油壶
|
汽油壶
|
挤压式黄油枪
|
手动黄油枪
|
黄油嘴
|
气动黄油枪
|
气动黄油加注机
|
手动黄油加注泵
|
电子流量计
|
加注枪
|
电动齿轮泵
|
电动提油泵
|
移动加油泵
|
气动提油泵
|
气动泵体
|
电动黄油加注泵
|
脚踏式黄油加注机
|
测试泵
|
油管
液压工具
|
液压压线钳
|
液压弯管器
材料加工
钻头
|
直柄麻花钻头
|
锥柄麻花钻头
|
空心钻头
|
中心钻头
|
定心钻头
|
扩孔钻头
|
铣钻
|
点焊钻头
|
铰刀
|
铣刀
|
去毛刺工具
|
开孔器
|
锪钻
丝锥板牙
|
手用丝锥
|
手用板牙
|
板牙架
|
丝锥扳手
|
断螺栓取出器
|
螺纹修复工具
|
机用丝锥
锯条/锯弓
|
锯条
|
带锯条
|
手锯
切割片
|
袖珍切割片
|
长效钢用切割片
|
长效不锈钢用切割片
|
长效不锈钢/铸铁用切割片
|
长效铸铁用切割片
|
长效有色金属用切割片
|
长效石材用切割片
打磨片
|
砂轮
|
角磨片
|
磨片
砂布
|
砂纸
|
清洁块
|
打磨衬块
|
打磨块
|
打磨砂纸
|
打磨砂带
|
打磨砂卷
|
砂卷架
磨轮
|
直磨轮
|
直磨轮砂带
|
打磨轮
|
磨轮配件
|
细磨工具
|
抛光轮及配件
油石
|
油石
|
刚玉油石
|
碳化硅油石
|
金刚油石/磨石
钢丝刷
|
手用钢丝刷
|
圆盘钢丝刷
|
杯形钢丝刷
|
离心钢丝刷
|
圆钢丝刷
|
锥面钢丝刷
|
螺旋清洁刷
磨头
|
刚玉磨头
|
不锈钢磨头
|
钢用磨头
|
立方氮化硼磨头
|
金刚石磨头
|
硬质合金磨头
锉刀
|
钳工锉
|
平锉刀
|
铣刀锉
|
钣金锉
|
精密锉
|
锯锉
|
链锯锉
|
螺纹锉
|
锁孔锉
|
什锦锉
|
锉刀配件
|
刹车制动锉刀
钢字码
|
数字钢码
|
字母钢码
|
手动钢码
|
活钢字码
物流仓储
搬运设备
|
手动搬运车
|
电动搬运车
|
手动堆高车
|
电动堆高车
存储设备
|
工具车
|
工具柜
|
工作台
|
货架
|
挂板
|
物料盒
|
电脑机柜
|
文件夹
|
隔板
|
防滑垫
梯子
|
人字梯
|
直梯
|
万能安全梯
锁具
|
人挂锁
|
链式锁
|
回形缆锁
|
钥匙链
成套工具
|
工具箱
|
工具包
|
工具盒
|
工具模块
劳动防护
头部
|
安全帽
|
头套
|
眼
|
护目镜
|
耳
|
耳塞
|
耳套
|
鼻
|
面罩及配件
|
口罩
|
手
|
手套
|
袖筒
脚
|
安全鞋
身体
|
防护服
|
安全带
|
减震绳
|
安全索
|
防坠缓冲器
|
清洁用品
|
卷纸及卷纸架
|
擦拭布
|
过滤布
|
毛巾
|
抗污纸
|
擦拭纸
|
抛光专用布
|
橡皮擦
|
防锈纸
|
垃圾桶
|
除油湿巾
|
洗手粉
|
洗手乳液
|
紧固件
盒装套件
|
自攻钉套装
|
自攻钉及垫圈套装
|
垫圈套装
|
螺栓套装
|
螺栓螺母垫片套装
|
螺母套装
|
垫片和弹簧垫套装
|
花型垫片和弹簧垫组套
|
挡圈组套
|
销类套装
|
O形圈套装
|
拉铆钉套装
|
压簧套装
|
黄油嘴套装
|
涨管套装
|
管夹组套
|
螺钉螺栓类
|
圆柱头螺钉
|
沉头螺钉
|
半沉头螺钉
|
盘头螺钉
|
沉头螺栓
|
螺栓
|
马车螺栓
|
吊环螺栓
|
紧钉螺钉
|
平端紧钉螺钉
|
锥端紧钉螺钉
|
圆柱端紧钉螺钉
|
凹端紧钉螺钉
|
螺母类
|
六角螺母
|
薄螺母
|
焊接螺母
|
自锁螺母
|
尼龙锁紧螺母
|
法兰螺母
|
垫圈类
|
平垫圈
|
弹性垫圈
|
窄边垫圈
|
加厚垫圈
|
宽边垫圈
|
弹性挡圈
|
销类
|
铆钉
|
弹性销
|
开口销
|
正时皮带销钉
|
法兰
|
钢法兰
|
机床车床
电动工具
|
手电钻
|
电锤
|
电动改锥
|
电动冲击钻
|
角磨机
|
抛光机
|
磨光机
|
圆锯机
|
刳刨机
|
电动往复锯
|
电动曲线锯
|
磨砂机
|
热风机
|
吸尘器
|
绿篱修剪机
|
电池
|
切割机
|
劈木机
|
灰尘提取机
|
台式电锯
|
热熔胶枪
|
气动工具
|
专业气枪
|
气动喷枪
|
气动刻号笔
|
气动改锥
|
气动扳手
|
气动刻磨机
|
气钻
|
气动角磨机
|
气压表
|
插座/插头
|
接头
|
螺帽
|
套管
|
气管接头
|
生料带
|
气管绕线器
|
气管
|
绕管器
|
过滤器
|
排水阀
|
减压阀
|
油雾器
|
三联件
|
调节阀
|
重力壶
|
机床配件
刀具及刀具用配件
|
铣刀头
|
角度头
|
刀座
|
刀夹
|
钻头夹
|
测量棒
|
堵头
|
夹具
|
机用台虎钳
|
万能夹具组
|
其他配件
|
偏心检测仪
|
冲子成型器
|
冲子研磨器
|
砂轮修整器
|
磁盘
|
角度规
|
分度盘
|
分度头
|
搪孔器
|
搪孔刀及配件
|
搪刀
|
搪刀头
|
铣刀
|
量具量仪
游标卡尺
|
微调游标卡尺
|
带表游标卡尺
|
数显游标卡尺
|
高度游标卡尺
|
内沟槽游标卡尺
|
游标深度卡尺
|
数显深度卡尺
|
奇数沟游标卡尺
|
千分尺
|
外径千分尺
|
公法线千分尺
|
螺纹千分尺
|
V型砧千分尺
|
杠杆千分尺
|
深度千分尺
|
内测千分尺
|
百/千分表
|
百分表
|
千分表
|
杠杆比较仪
|
深度百分表
|
测厚规
|
内卡规
|
外卡规
|
测量台
|
磁性表座
|
磁性表座
|
测量表座
|
磁吸座
|
活动臂
V型铁
|
V型铁
|
可调角度V型铁测量底座
|
双V型测量底座
|
四面V型铁
角尺
|
验收角尺
|
宽座角尺
|
对角尺
|
钢架
|
角度尺
|
划针
|
划针
|
划规
|
内卡钳
|
外卡钳
|
游标划规
|
直尺
|
不锈钢直尺
|
验收直尺
|
工字尺
|
折叠尺
|
盒尺
|
尺盒
|
圆周直径尺
水平尺/仪
|
水平尺
|
水平仪
量规
|
孔规
|
焊缝量规
|
塞尺
|
螺纹规
|
厚度规
|
半径规
|
角度规
|
车刀量规
|
麻花钻磨削量规
|
锥形尺
|
深度规
|
底孔规
|
校对环规
|
螺纹塞规
|
螺纹环规
|
量块
|
钢铁量块/a> |
陶瓷量块
|
测量仪器
|
测距仪
|
测厚仪
|
测温仪
|
表面粗糙度测量仪
|
硬度仪
|
滚轮测量仪
|
转速仪
|
测力计
|
电子秤
|
秒表
|
放大镜
|
内窥镜
|
气体检测
|
液体检测
|
风速仪
|
金属探测
其它产品
机械设备
|
钻床
|
磁力钻
|
砂轮机
|
弯曲机
|
剪床
|
车床
|
钻铣床
|
带锯床
|
铁路专用设备
|
咖啡机
救援工具
|
交直流两用电动工具
|
救援组套
|
剪断器
|
扩张器
|
救援顶杆
|
多功能钳与特殊工具
|
机动泵
|
附件
汽车保养品
|
漆面护理
|
清洁产品
|
内饰护理
|
玻璃清洁
|
轮毂清洁
|
柏油沥青清洁
|
发动机护理
医疗清洗
|
清洗系列
|
包装系列
|
灭菌盒系列
轨道交通
|
金属与橡胶连接件
|
受电弓
|
碳滑块
|
集电靴
|
三轨集流器
其它
|
工具
|
防护
|
手套
|
眼镜
|
鞋
|
安全绳
|
锁具
|
仪器
|
化工品
|
口罩
|
配件
|
面罩
|
头面部防护
|
保护工具
|
品牌世界
三爪拉马
(
商品编号: 12-6
)
商品名称:
三爪拉马
商品编号:
12-6
商品品牌:
KUKKO
如果您想购买此商品,或需要咨询此商品相关信息,请联系我们的销售代表。
电话: +86 21 6401 5907, 6401 5908, 6401 5909
传真: +86 21 6401 7868
邮箱: sales#morcato.com (阁下如需使用此邮箱,请把"#"替换为"@")
商品详细信息
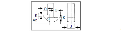
用于拆卸450mm以下,深度300mm以内的轴承和齿轮
三爪捋子
商品规格说明 (
12-6
)
三爪拉马 产品编号
三爪拉马 规格说明
12-6
直径宽度450mm,深度300mm
相关同类产品
关于我们
售后服务
法律声明
联系我们
企业简介
退货政策
注意事项
联系方式
产品范围
换货政策
企业承诺
品牌世界
配送方式
法律声明
工业也时尚,请关注我们:
版权说明
|
招聘英才
|
站点地图
|
常见问题
Copyright 2009-2012 上海玛托 All Rights Reserved. 沪ICP备09091547号